公司地址:襄陽市樊城區春園西路賈洼工業園 郵箱:xfycdq@163.com
其實電機軟啟動器,也可以分為電機軟起動柜,和里面的零部件,那么軟啟動器到底如何分類呢,下面我們就來介紹一下里面的一些規格吧。首先我們要知道這些才行。
源創電氣電機軟啟動器是為電動機服務的,目的是使電動機起動容易,源創電氣減小起動電流以及減少對電機所拖動機械設備的沖擊,根據交流電機的類型不同,電機軟啟動器主要可分為兩大類,源創電氣為大家介紹的一類就是串入電機的定子回路,另一類是串入電機的轉子回路。
一、串入電機定子回路的軟啟動器
源創電氣為大家介紹的這類軟啟動器主要適用于鼠籠式電機或同步電動機,這兩類電機起動轉矩小,源創電氣為大家介紹的起動電流大,選擇這兩種電動機,大多數情況下所拖動的負載都是風機和水泵、空壓機等輕型負載,所用軟啟動器有固態軟啟動器和水阻軟啟動器。
源創電氣為大家介紹的軟啟動器是一種集電機軟起動、軟停車、輕載節能和多種保護功能于一體的新穎電機控制裝置,國外稱為Soft Starter。軟啟動器采用三相反并聯晶閘管作為調壓器,將其接入電源和電動機定子之間。這種電路如三相全控橋式整流電路。源創電氣為大家介紹的使用軟啟動器啟動電動機時,晶閘管的輸出電壓逐漸增加,電動機逐漸加速,直到晶閘管全導通,電動機工作在額定電壓的機械特性上,實現平滑啟動,降低啟動電流,避免啟動過流跳閘。待電機達到額定轉數時,啟動過程結束,軟啟動器自動用旁路接觸器取代已完成任務的晶閘管,源創電氣為大家介紹的為電動機正常運轉提供額定電壓,以降低晶閘管的熱損耗,延長軟啟動器的使用壽命,提高其工作效率,又使電網避免了諧波污染。軟啟動器同時還提供軟停車功能,軟停車與軟啟動過程相反,電壓逐漸降低,轉數逐漸下降到零,避免自由停車引起的轉矩沖擊。
2、源創電氣為大家介紹的水阻軟啟動器工作原理

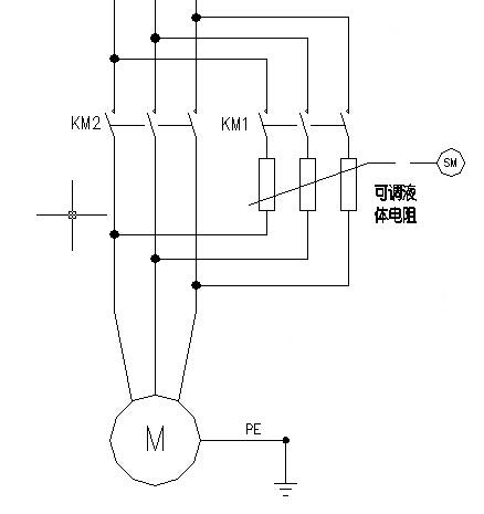
圖1
源創電氣為大家介紹的水阻軟啟動器是在電機定子回路中串可變液體電阻的一種降壓起動方式,即隨著主電動機的起動,裝置自動改變液體電阻動、定極之間的間距,使電阻線性均勻減小,電動機端電壓均勻提高的一種起動方式;源創電氣為大家介紹的水阻軟啟動器內部主要包括3個獨立的水箱,三相電分別通入每一個水箱,水箱底部有一固定的銅極板,水箱上部有一可上下移動的銅極板,分別引出進出一次線。以極板升降改變阻值,其柜內部主要包括:水箱(三相分開),一套極板,極板升降電機和傳動絲桿、軸承及短接接觸器、PLC等。源創電氣為大家介紹的水箱體積主要根據電機大小,計算需要的散熱液體體積,因此柜體體積有大有小。如圖1,SM時三個水箱做成的水電阻,起動時KM1吸合,起動完畢后KM2短接,KM1脫開,起動過程結束。
以上只是源創電氣為大家介紹的兩種大功率電機常用的起動方式,對于小功率電機還有自萬降壓起動等方式。
一、源創電氣為大家介紹的串入電機轉子回路的軟啟動器
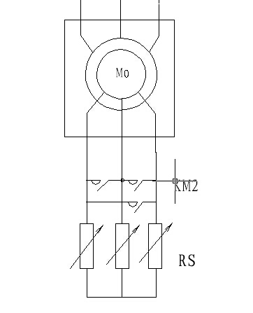
這類軟啟動器主要源創電氣為大家介紹的適用于繞線式電機,大家知道繞線式電機起動電流小,起動轉矩大,主要用于拖動重負荷,比如球磨機、破碎機、重型機床等。這類軟啟動器近年來主要是水阻軟啟動器。

圖2
源創電氣為大家介紹的這種水阻軟啟動器與上面提到的水阻軟啟動器工作原理一樣,源創電氣為大家介紹的只是它串入在電機的轉子回路,而不是定子。水阻軟啟動器內部有些不一樣,由于轉子回路需要一直短接,剛開始起動時是在水阻軟啟動器后內的水電阻后端短接,源創電氣為大家介紹的起動完畢后是靠接觸器在水電阻前端短接。如圖2.RS是水電阻,起動完畢后KM2來短接轉子。
上一篇:無功補償裝置分類有哪些?
下一篇:高壓固態軟起動柜廠家價格多少錢?




(不想等待可點擊按鈕通過QQ進行溝通,或直接電聯。)
關閉