銷售①:13508662630 銷售②:13507271573
公司地址:襄陽市樊城區春園西路賈洼工業園 郵箱:xfycdq@163.com
〔摘要〕介紹了高壓電機定子線圈的腐蝕情況,闡述了腐蝕的特點及部位,分析了線圈發生內、外 腐蝕的原因,對防止高壓電機定子線圈腐蝕提出了幾點建議。 〔關鍵詞〕高壓電......
發布時間:2017-05-15
混合有源濾波器濾波: 將有源濾波和無源濾波裝置組合在一起,形成混合有源濾波器濾波。 或者,對諧波源,一部分采用無源濾波裝置濾波,一部分采用無源濾波裝置濾波。 混......
發布時間:2017-05-15
有源濾波器濾波: 由于無源濾波器具有以上缺點,隨著電力電子技術的不斷發展,人們將濾波研究方向逐步轉向有源濾波器。與無源濾波器相比,有源電力濾波器具有高度可控性和......
發布時間:2017-05-15
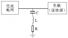
諧波治理方法: (1)無源濾波器濾波: 采用電力濾波裝置,就近吸收諧波源所產生的諧波電流,是抑制諧波污染的有效措施。 由電力電容器、電抗器和電阻器,適當組合而組......
發布時間:2017-05-15
諧波治理的必要性: 以上危害,在有些企業中表現的比較突出,而在一些企業中表現的不是很明顯,然而諧波危害的隱患依然存在。特別是在一些自動化程度較高的行業,如果諧波......
發布時間:2017-05-15



(不想等待可點擊按鈕通過QQ進行溝通,或直接電聯。)
關閉